贵阳福森照明科技有限公司(明纬电源贵州地区授权经销商)欢迎您!

产品搜索:

常见问题

功能方面

应用方面

认证方面

产品方面

智能控制方面

3+N系统解决方案

售后服务

联系方式

贵阳福森照明科技有限公司

地址:贵州省贵阳市南明区遵义路105号万象国际C座21楼2号
电话:0851-85865819
QQ客服:871117519
串联的应用有哪些?

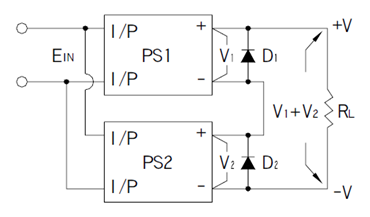
电源的串联有两种应用,一是正负电压的应用;一是增加输出电压的应用。其配接方式如下:

1、正负电压之接法如下图。

* 因为部分监控讯号与输出地短路,建议控制监控讯号采独立隔离控制,以免造成产品损害。

2、增加输出电压(电流不变),电源输出端需加并二极管,以防止起动时造成电源内部损坏,二极管耐压需大于V1+V2(如下图),瞬间电流需大于额定输出电流。